suncitygroup太阳集团

首页-suncitygroup太阳集团官方网站
首页-suncitygroup太阳集团官方网站

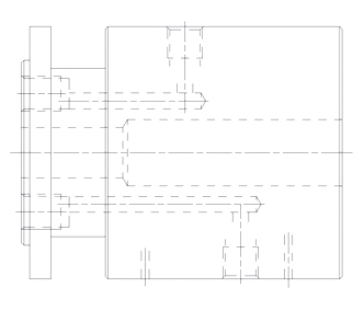
旋转接头

首页 - 产品展示

big202110191536247

525多通路旋转接头

型号:525
表管:螺纹或法兰
特点:自支持旋转器; 设有排出通路,预防内通路之间的泄漏; 宽间距双轴承,接受侧向载荷; 专用密封; 可提供多通路设计;

技术参数:
合用介质 液压油
最高温度 ≤80℃
最高压力 ≤16MPa
最高转快 ≤80rpm

产品征询 返回列表

销售服务热线:

0595-8686 1188

首页-suncitygroup太阳集团官方网站

本产品尺寸规格最终以客户要求为准

Copyright ?suncitygroup太阳集团 版权所有 闽ICP备05026600号 中机尺度化钻研院 网站建设:科伟网络

【网站地图】