suncitygroup太阳集团

首页-suncitygroup太阳集团官方网站
首页-suncitygroup太阳集团官方网站

旋转接头

首页 - 产品展示

big20211020114751750

915型旋转接头

型号:915
表管:螺纹或法兰
特点:反球面密封; 尺度碳石墨密封技术; 密封结构表置设计; 精密铸件设计; 分体式设计; 可自动调心; 密封磨损刻度线,可预防性守护设计; 偏摆适应性强; 合用于高快。

技术参数:
合用介质 蒸汽
最高温度 ≤235℃
最高压力 ≤2.0MPa
最高转快 ≤400rpm

产品征询 返回列表

销售服务热线:

0595-8686 1188

首页-suncitygroup太阳集团官方网站


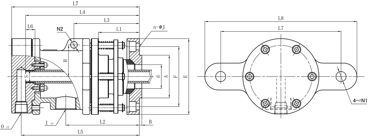
Model A B I O d E F S L1 L2 L3 L4 L5 L6 L7 L8 n-ΦJ N1 N2 H
40A 89 5 Rc1-1/4" Rc3/4" 50 158 125 Rp3/4" 85 153 136 236 245 20 250 326 4-Φ14 21 14 66

除以上规格品表,本公司可凭据用户要求特殊定造;

规格尺寸如有扭转,恕不另行通知。

Copyright ?suncitygroup太阳集团 版权所有 闽ICP备05026600号 中机尺度化钻研院 网站建设:科伟网络

【网站地图】