suncitygroup太阳集团

首页-suncitygroup太阳集团官方网站
首页-suncitygroup太阳集团官方网站

旋转接头

首页 - 产品展示

big20224151616201017

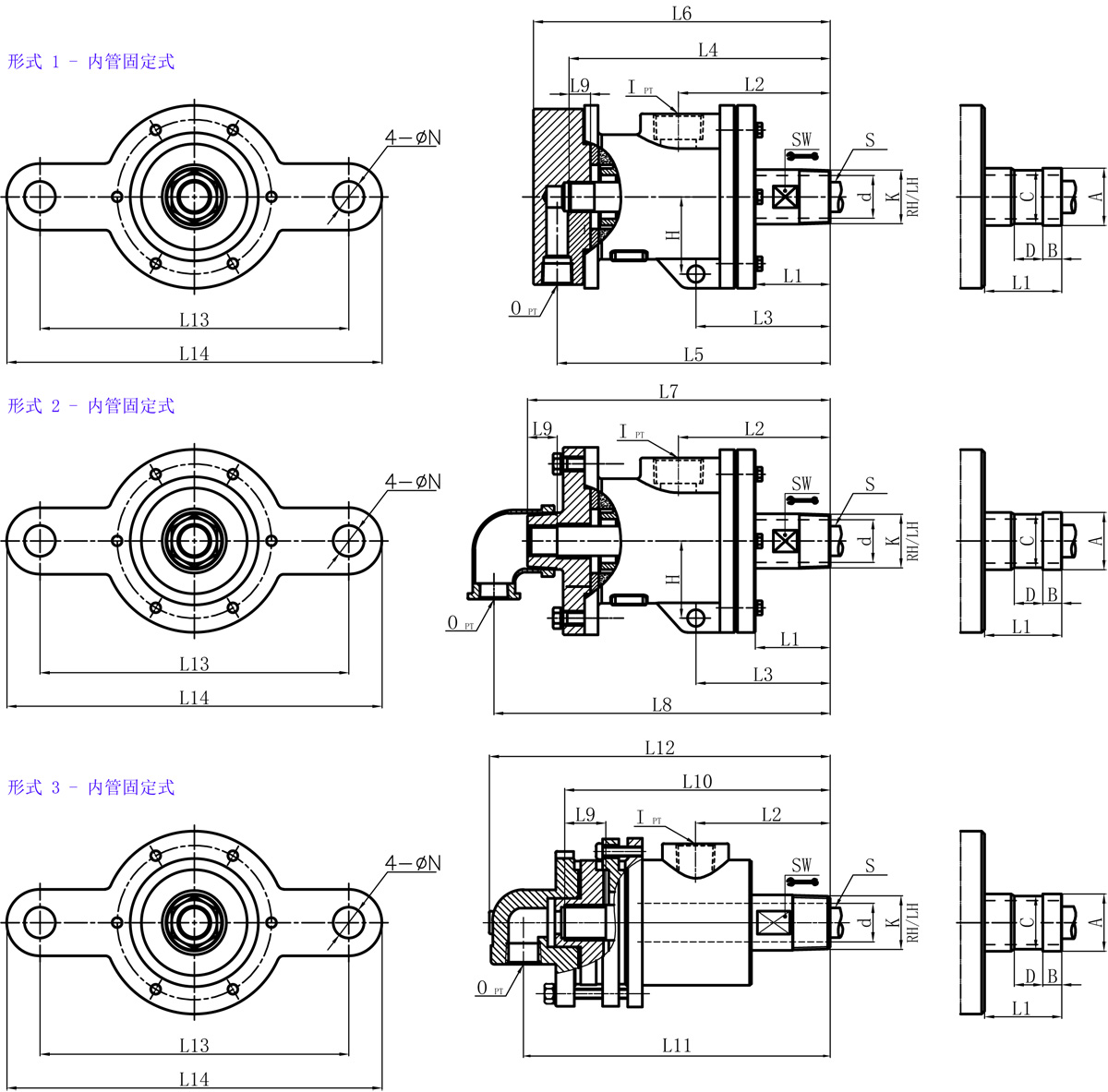
MXQ2型 双通路(内管固定式)

型号:MXQ2
表管:螺纹或法兰
特点:合用于蒸汽介质 ; 球面密封设计 ; 可更新式密封盖 ; 新型旋转接头升级产品 ; 表部支持杆。

技术参数:
合用介质 蒸汽
最高温度 ≤220℃
最高压力 ≤2.5MPa
最高转快 ≤300rpm

产品征询 返回列表

销售服务热线:

0595-8686 1188

首页-suncitygroup太阳集团官方网站


Model K I O S d L1 L2 L3 L4 L5 L6 L7 L8 L9 L10 L11 L12 L13 L14 N SW H 法兰式表管尺寸对照表
A B C D
25A R1" Rc3/4" Rc1/2" Rp3/8" 23.5 49 83 / / / / / / 25 164 190 211 118 149 14 32 / 34 12 32 18
32A R1-1/4" Rc1" Rc1/2" Rp1/2" 28 64 133 114 / / / 241 255 43 / / / 190 280 20 39 58 40 13 38 20
40A R1-1/2" Rc1-1/4" Rc3/4" Rp3/4" 36 77 149 132 233 243 263 / / 18 / / / 206 316 21 46 66 47.8 13 45 20
50A R2" Rc1-1/2" Rc1" Rp1" 45 77 149 132 / / / 286 305 48 / / / 250 350 30 54 75 60 16 57 24

如属规格品表,本公司可共同要求造作。
规格尺寸如有批改,恕不另行通知。

Copyright ?suncitygroup太阳集团 版权所有 闽ICP备05026600号 中机尺度化钻研院 网站建设:科伟网络

【网站地图】