
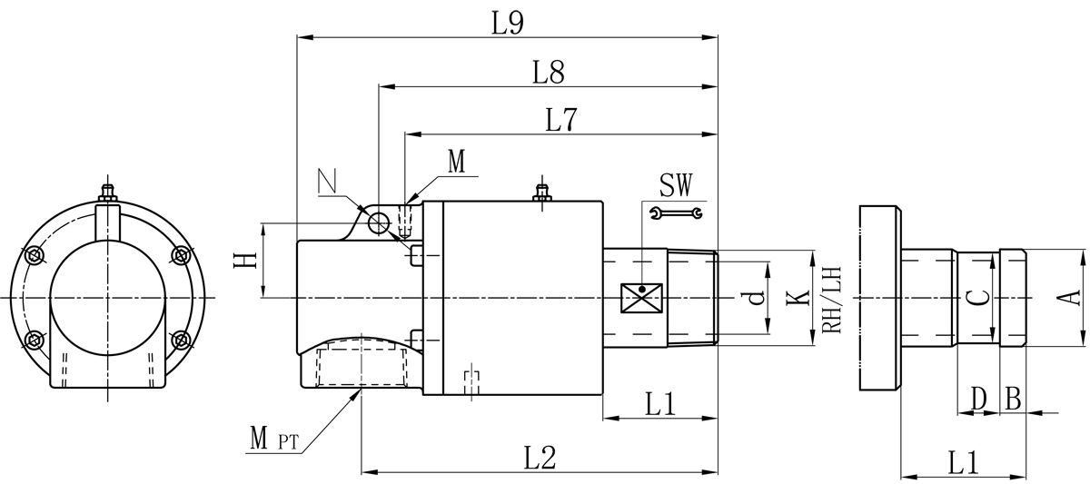
| Model | K | M | d | L1 | L2 | L7 | L8 | L9 | M | N | H | SW | 法兰式表管尺寸对照表 | |||
| A | B | C | D | |||||||||||||
| 15A | R1/2” | Rc1/2” | 13 | 35 | 113 | 104 | / | 128 | M6 | / | / | 22 | / | / | / | / |
| 20A | R3/4” | Rc3/4” | 17 | 42 | 132 | 121 | / | 150 | M6 | / | / | 26 | 26 | 11 | 24 | 16 |
| 25A | R1” | Rc1” | 21 | 42 | 138 | 124 | / | 159 | M6 | / | / | 32 | 34 | 12 | 32 | 18 |
| 32A | R1-1/4” | Rc1-1/4” | 30 | 50 | 160 | 141 | / | 188 | M8 | / | / | 41 | 40 | 13 | 38 | 20 |
| 40A | R1-1/2” | Rc1-1/2” | 36 | 57 | 176 | 155 | 168 | 206 | M6 | 10 | 37 | 46 | 47.8 | 13 | 45 | 20 |
| 50A | R2” | Rc2” | 46 | 70 | 202 | 175 | 189 | 240 | M8 | 10 | 44 | 57 | 60 | 16 | 57 | 24 |
Copyright ?suncitygroup太阳集团 版权所有 闽ICP备05026600号 中机尺度化钻研院 网站建设:科伟网络