suncitygroup太阳集团

首页-suncitygroup太阳集团官方网站
首页-suncitygroup太阳集团官方网站

旋转接头

首页 - 产品展示

big202110191756229953

MXQ型 单通路

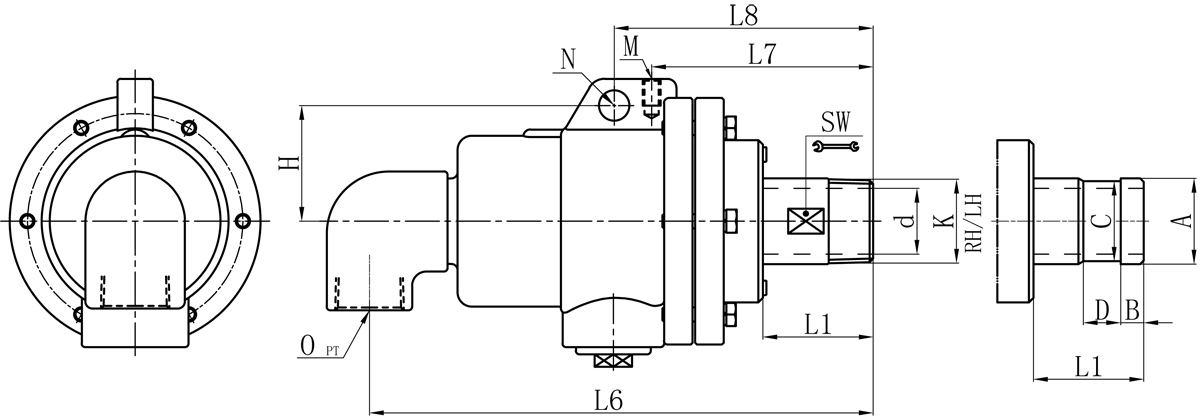
型号:MXQ
表管:螺纹或法兰
特点:球面密封设计; 尺度锑或碳石墨密封技术; 可更换性密封底盖; 最大化轴承间距; 改进型接头和虹吸器支持; 旋转式或固定式虹吸器 。

技术参数:
合用介质 扰淄、蒸汽
最高温度 ≤350℃(油),≤220℃(蒸汽)
最高压力 ≤1.8MPa
最高转快 20A-80A≤250rpm;90A-150A≤100rpm


产品征询 返回列表

销售服务热线:

0595-8686 1188

首页-suncitygroup太阳集团官方网站


Model K O d L1 L6 L7 L8 M N H SW 法兰式表管尺寸对照表
A B C D
20A R3/4" Rc3/4" 18 46 199 96 / M10 / / 24 26 11 24 16
25A R1" Rc1" 23.5 51 212 109 / M10 / / 32 34 12 32 18
32A R1-1/4" Rc1-1/4" 30 55 245 108 124 M10 14 60 41 40 13 38 20
40A R1-1/2" Rc1-1/2" 36 62 280 133 149 M10 16 71 45 47.8 13 45 20
50A R2" Rc2" 45 71 326 150 173 M12 18 81 55 60 16 57 24
65A R2-1/2” Rc2-1/2” 58 76 368 157 183 M12 20 91 70 74 19 70 24
80A R3” Rc3” 72 87 441 187 214 M12 20 100 85 87 25 84 24

如属规格品表,本公司可共同要求造作 。
规格尺寸如有批改,恕不另行通知 。 

Copyright ?suncitygroup太阳集团 版权所有 闽ICP备05026600号 中机尺度化钻研院 网站建设:科伟网络

【网站地图】