suncitygroup太阳集团

首页-suncitygroup太阳集团官方网站
首页-suncitygroup太阳集团官方网站

旋转接头

首页 - 产品展示

big20211019165494316

H型 双通路(内管固定式)

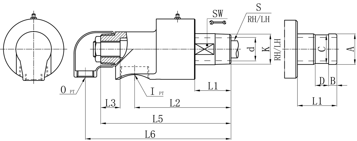
型号:HSG、HSGF
表管:螺纹或法兰
特点:平面密封设计; 不锈钢表管; 齐全均匀的流通设计; 轴承间距最大化; 表管有螺纹和快换法兰衔接大局。

技术参数:
合用介质 水、空气、油
最高温度 ≤90℃(水)、≤200℃(油)
最高压力 ≤1.0MPa
最高转快 ≤1000rpm

产品征询 返回列表

销售服务热线:

0595-8686 1188

首页-suncitygroup太阳集团官方网站


Model K I O S d L1 L2 L3 L5 L6 SW 法兰式表管尺寸对照表
A B C D
15A R1/2" Rc1/2" Rc1/2" Rp1/8" 13 29 85 22 119 134 20 / / / /
20A R3/4" Rc3/4" Rc1/2" Rp1/4" 17 39 103 24 139 155 26 26 11 24 16
25A R1" Rc3/4" Rc1/2" Rp3/8" 21 49 118 20 155 171 31 34 12 32 18
32A R1-1/4" Rc1-1/4" Rc1/2" Rp1/2" 30 51 137 29 182 198 41 40 13 38 20
40A R1-1/2" Rc1-1/2" Rc3/4" Rp3/4" 36 58 145 31 198 220 46 47.8 13 45 20
50A R2" Rc1-1/2" Rc1" Rp1" 46 71 192 33 249 282 57 60 16 57 24
65A R2-1/2" Rc2" Rc1-1/4" Rp1-1/4" 60 79 214 45 289 316 80 74 19 70 24
80A R3" Rc2-1/2" Rc2-1/2" Rp2-1/2" 72 85 231 49 322 349 87 87 25 84 24

如属规格品表,本公司可共同要求造作。
规格尺寸如有批改,恕不另行通知。

Copyright ?suncitygroup太阳集团 版权所有 闽ICP备05026600号 中机尺度化钻研院 网站建设:科伟网络

【网站地图】