suncitygroup太阳集团

首页-suncitygroup太阳集团官方网站
首页-suncitygroup太阳集团官方网站

旋转接头

首页 - 产品展示

big202110191735138271

RH型 双通路(内管旋转式)

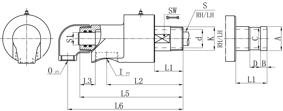
型号:RHSX、RHSXF
表管:螺纹或法兰
特点:平面密封设计 ; 高精度动轴承 ; 不锈钢表管 ; 最佳密封共同面 ; 高转快、低扭矩 ; 长命命、靠得住性高。

技术参数:
合用介质 水、油、空气
最高温度 ≤120℃(水)、≤260℃(油)
最高压力

6A-50A    ≤1.0MPa

65A-80A  ≤0.8MPa

最高转快

6A-50A    ≤1500rpm

65A-80A  ≤ 800rpm


产品征询 返回列表

销售服务热线:

0595-8686 1188

首页-suncitygroup太阳集团官方网站


Model K I O S1 d L1 L2 L3 L5 L6 SW 法兰式表管尺寸对照表
A B C D
15A R1/2" Rc1/2" Rc1/2" 10 13 35 85 28 135 149 20 / / / /
20A R3/4" Rc3/4" Rc1/2" 12 17 38 105 30 145 160 26 26 11 24 16
25A R1" Rc3/4" Rc1/2" 16 21 41 113 25 155 168 31 34 12 32 18
32A R1-1/4" Rc1-1/4" Rc1/2" 20 30 48 138 35 194 207 41 40 13 38 20
40A R1-1/2" Rc1-1/2" Rc3/4" 25 36 53 148 37 206 225 46 47.8 13 45 20
65A R2-1/2" Rc2" Rc1-1/4" 40 60 79 214 45 289 316 80 74 19 70 24
80A R3" Rc2-1/2" Rc2-1/2" 46 72 85 231 49 322 349 87 87 25 84 24
如属规格品表,本公司可共同要求造作。
规格尺寸如有批改,恕不另行通知。

Copyright ?suncitygroup太阳集团 版权所有 闽ICP备05026600号 中机尺度化钻研院 网站建设:科伟网络

【网站地图】