suncitygroup太阳集团

首页-suncitygroup太阳集团官方网站
首页-suncitygroup太阳集团官方网站

旋转接头

首页 - 产品展示

big20224151754265325

MXQC型 双通路(内管旋转式)

型号:MXQC
表管:法兰
特点:合用于蒸汽、扰淄介质; 双无油轴承支持; 优化密封环直径; 可更换性密封底盖; 最大化轴承间距 。

技术参数:
合用介质 蒸汽、扰淄
最高温度 ≤280℃(蒸汽);≤350℃(扰淄)
最高压力 ≤2.0MPa
最高转快 ≤300rpm


产品征询 返回列表

销售服务热线:

0595-8686 1188

首页-suncitygroup太阳集团官方网站

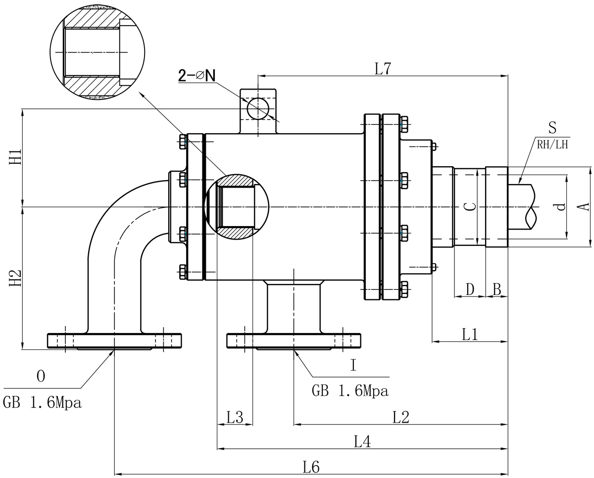
RN

Model I O S1 d L1 L2 L3 L4 L6 L7 N H1 H2 法兰式表管尺寸对照表
A B C D
65A DN40 DN32 40 58 75 195 30 266 415 230 18 106 165 74 19 70 24
80A DN40 DN40 46 72 85 225 40 326 440 289 24 110 160 87 25 84 24
90A DN50 DN50 58 80 100 245 40 346 473 300 25 116 170 100 25 96 30
100A DN65 DN65 75 90 105 270 47 400 536 340 25 133 185 114 25 109 35
125A DN100 DN100 85 125 120 310 60 479 670 450 30 158 215 148 25 142 35
150A DN125 DN125 110 140 130 380 60 550 810 430 30 178 260 166 30 160 38

如属规格品表,本公司可共同要求造作 。
规格尺寸如有批改,恕不另行通知


首页-suncitygroup太阳集团官方网站

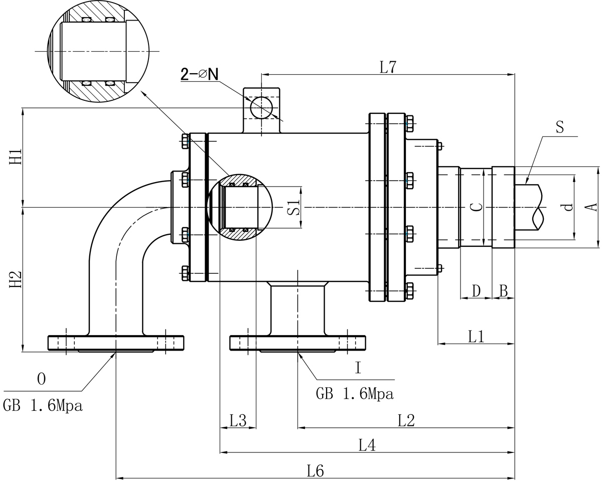
RT

Model I O S d L1 L2 L3 L4 L6 L7 N H1 H2 法兰式表管尺寸对照表
A B C D
65A DN40 DN32 Rc1-1/4" 58 75 195 30 266 415 230 18 106 165 74 19 70 24
80A DN40 DN40 Rc1-1/2" 72 85 225 40 326 440 289 24 110 160 87 25 84 24
90A DN50 DN50 Rc2" 80 100 245 40 346 473 300 25 116 170 100 25 96 30
100A DN65 DN65 Rc2-1/2" 90 105 270 47 400 536 340 25 133 185 114 25 109 35
125A DN100 DN100 Rc3" 125 120 310 60 479 670 450 30 158 215 148 25 142 35
150A DN125 DN125 R4" 140 130 380 60 550 810 430 30 178 260 166 30 160 38

如属规格品表,本公司可共同要求造作 。
规格尺寸如有批改,恕不另行通知 。

Copyright ?suncitygroup太阳集团 版权所有 闽ICP备05026600号 中机尺度化钻研院 网站建设:科伟网络

【网站地图】